:
по запросу
Производительность до 1200 м3/ч
Степень очистки до 98 %
Радиус обслуживания до 4м.
Благодаря фильтрующему элементу на бумажно-тканевой основе позволяет осуществить полномасштабную очистку воздуха от аэрозолей (в том числе сварочного) и мелкодисперсной сухой неслипающейся пыли, выделяющейся при различных производственных процессах.
Колеса позволяют перевозить агрегат по цеху, что удобно для нестационарных рабочих мест.
Запатентованная система регенерации фильтрующего элемента позволяет производить эффективную регенерацию фильтрующего элемента, без использования сжатого воздуха, работает от электросети.
Фильтры предназначены для очистки воздуха от сварочного аэрозоля, образующегося при сварке, ручной газовой резке металлов, а также для очистки от мелкодисперсной (размеры частиц ≥0,3мкм) сухой, невзрывоопасной, неслипающейся пыли, образующейся при порошковой окраске изделий, механической обработке изделий из металла и пластмасс.
Максимальная температура загрязненного воздуха не должна превышать 60ºС
Применение:
- сварочные цеха
- цеха механической обработки металла
- цеха механической обработки пластмасс
- участки порошковой окраски
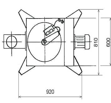
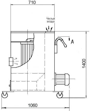
Фильтр состоит из корпуса с входным патрубком, снабжен колёсами для перемещения по полу цеха. На корпусе закреплено воздухоприёмное устройство. Внутри корпуса по ходу воздушного потока установлен отбойник, для предотвращения попадания крупных частиц, окалины и искр на основной фильтрующий элемент картриджного типа. Внутри фильтрующего элемента расположена система регенерации, а её привод на крышке фильтрующего элемента. Включение электродвигателя системы регенерации осуществляется автоматически через (50-60) сек. после включения вентилятора.
Фильтр снабжен вентилятором и пусковой аппаратурой, кабелем питания длиной 5м, разъёмом для подключения к электросети.
Фильтры выпускаются с воздуховытяжным устройством d=160мм в следующих модификациях :
- ФМАС-1200 с устройством Rобсл. =2,0м
- ФМАС-1200 «У» с устройством Rобсл.=3,2м
- ФМАС-1200 «УМ» с устройством Rобсл.=4м
Дополнительно фильтр может быть оснащен:
- угольной кассетой для доочистки газообразной фазы сварочного аэрозоля.
|
Наименование показателей
|
ФМАС-1200
|
ФМАС-1200У
|
ФМАС-1200 УМ
|
|
Расход воздуха, м3/ч
|
1200
|
|
Степень очистки, %
|
98
|
|
Количество фильтрующих элементов, шт.
|
1
|
|
Площадь фильтрующей поверхности, м2
|
19,5
|
|
Количество воздухоприёмных устройств, шт.
|
1
|
|
Диаметр воздухоприёмного устройства, мм
|
160
|
|
Радиус обслуживания каждого воздухоприёмного устройства, м
|
2
|
3,2
|
4
|
|
Потребляемая мощность, кВт
|
1,5
|
|
Напряжение электросети, В
|
220
|
|
Масса, кг
|
164
|
176
|
179
|
Сертификат Механические фильтры (скачать)
Доставка
Торговый дом "Промышленная вентиляция" осуществляет доставку продукции специальным транспортом, с удобной клиенту логистикой и способом в любой регион России. Оформление заказов и транспортировку определяют такие алгоритмы:
- для расчетов время следования груза от станции погрузки до места выгрузки закладывается до двух суток, но практически перевозка осуществляется быстрее, часто продукцию можно получить в течение этих же суток;
- при оформлении поставки наш менеджер звонит клиенту, с тем, чтобы оптимизировать доставку, для этого задаются следующие вопросы: фактический адрес, режим станции, контактное лицо, оптимальная дата для клиента, специальные условия на станции выгрузки (наличие пропуска, оформление доверенности и другие особенности);
- нашим клиентам доступен самовывоз на собственном транспорте.
Оплата
Торговый дом "Промышленная вентиляция" принимает оплату перечислением на расчетный счет по предварительно выставленному счету. Взаимодействие с клиентами осуществляется в такой последовательности:
- мы используем все варианты расчетов: оплата по факту отгрузки, 100% предоплата, отсрочка действующим клиентам на банковские или календарные дни;
- после проведения транша наш менеджер сообщает клиенту, что деньги поступили на р/с, озвучивает последующие действия по договору;
- для каждой отправляемой партии время устанавливается индивидуально, сроки определяются в спецификации.
Предоставляем услуги монтажа и установки высокоэффективных вентиляционных систем с дальнейшим сервисным обслуживанием. В работе мы используем только качественное оборудование известных производителей, имеем все необходимые лицензии и сертификаты качества.
Установка вентиляции производится согласно индивидуально разработанному проекту, который обязательно должен соответствовать санитарно-гигиеническим общепринятым стандартам.